PCDVD¼Æ¦ì¬ì§Þ°Q½×°Ï
PCDVD¼Æ¦ì¬ì§Þ°Q½×°Ï   µù¥U ±`¨£°ÝÃD ¼Ð°O°Q½×°Ï¬°¤wŪ

¦^¨ì   PCDVD¼Æ¦ì¬ì§Þ°Q½×°Ï > ¹q¸£µwÅé°Q½×¸s²Õ > ¨t²Î²Õ¥ó
±b¤á
±K½X
 

  ¦^À³
 
¥DÃD¤u¨ã
christy014022
Advance Member
 

¥[¤J¤é´Á: Apr 2007
¤å³¹: 453
Cool

Hi Foxly Visionary 1024Bits ¤T¦ì¦n.
¥Á°ê66~72¦~§Úlay¹L¤Ó¦hAudioªºªO¤l,72~80¦~Âà¦æ¥~°Ó·~°È,80¦~°h¥ð¦Ü¤µªñ20¦~...£¸ª½¨ì2006¦]¤p«Äªº»Ý­n§Ú¤~±q"¹s"¶}©l¦Û¾ÇPC...ÁÂÁ¦U¦ìªº«ü¾É!
¥x»smosfetªºRDS¤w«Ü§C«Ü§C....µo¼ö¶q¤w¤j¤j§ïµ½¡PmosªºÅé¿nÅܤp¤F«Ü¦h!
³Ìªñ¥¿·Ç³Æ¶R¶i°ê¤ºmosfet¤j厰ªÑ²¼826X.....¬Ý¦n¤U¥b¦~mosªº¦æ±¡¡C
¤W¥b¦~¦]eepc¤]ÁȤF¤@¤pµ§...eepc¦@¥Î¤F16Áû¹q·½ºÞ²zIC...¦VÃö´ç¨Dµý«á"¶R¶i"¤pÁÈ30%¤w¥X³õ!§Ú¬Ý¦n¥¼¨Ó¨â¤T¦~~5¦~ªº´º®ð!
     
      
ÂÂ 2008-06-29, 11:25 PM #11
¦^À³®É¤Þ¥Î¦¹¤å³¹
christy014022Â÷½u¤¤  
LSI¯T
Elite Member
 
LSI¯Tªº¤jÀY·Ó
 

¥[¤J¤é´Á: Apr 2004
±zªº¦í§}: ´ä³£
¤å³¹: 6,019
¤Þ¥Î:
§@ªÌchristy014022
¥H775 C2D¬°¨Ò
1.CPUªº¨Ñ¹q¨Ó¦Û 12V ©Î 3V ?? ©Î¨âªÌ³£¬O??
2.CPU V-CORE ªº1.3V ±q¦ó¦Ó¨Ó?¬O3V?©Î12V?
3.3~12¬Û¨Ñ¹q...¨C¬Û¥Ñ3ÁûMOS FET+©TºA¹q®e+¹q·P..²Õ¦¨.³o¬O¤°»ò§@¥Î?
4.毎£¸¬Û¨Ñ¹q¨Ñ¨ìCPUªº¨ºùØ...CPU¥»¨­¦³´X¬Û¹q·½¿é¤JPIN ?
5.経¨C¤@¬Û«áªº¹qÀ£¬O¦h¤ÖV??¦h¤ÖA??
6.¹q·P³£«Ü¿S...¦ü¥G¹q¬y«Ü¤j?
7.経¨C¤@¬Û«á...¬ODC¹q·½©Î¬OAC? ©Î¬O«Ü°ªÀW?


¦b¤U¤£¬ORD¡A¥u¬O¤@­Ó¤p¤p°ª¬ì§Þ­W¤O¡A§Æ±æ¦b¤Uªº¸ê°T¯à¹ï±z¦³¥Î¡C
1.¦­´Áªº³B²z¾¹±q386/486¶}©l¡A¨ìP54C/P55Cµ¥¡A³£¬O¥Ñ5V¡A¸g¹L½u©Ê­°À£/³æ¬Û¦¡¥æ´«­°À£¹q¸ô¨Ó¨ÑÀ³®Ö¤ß¹qÀ£¡Aª½¨ìP4¶}©l¡A¤~¨Ï¥Î12V¡A¸g¹L¿W¥ßªºVRM°j¸ô¨ÑÀ³Vcore¡A¤£¹L¨ä¶gÃäI/O«H¸¹¹q·½·Ç¦ì¡A«h¤´¬O¥H3.3V¬°¥D¡C
2.¦P1¡A¬O¥D­n¥ÑVcore©ÒÄݤ§VRM²£¥Í¤§¡C
3.VRM¨C¬Û±Ä¦P¨B¦¡¥æ´«­°À£¹q¸ô³]­p¡A¤]´N¬O¦Ü¤Ö¦³¤@°ªºÝ(»P¹q·½¬Û±µ¡AHigh-side¡A¥Î¨Ó±±¨î¹q·½³q¹L»P§_)¡B¤@§CºÝ(»P±µ¦a¬Û±µ¡ALow-side¡A¥Î¨Ó±±¨î¹q·PÀx¯àÄÀ©ñ)¡B¤@Àx¯à¹q·P¡B¤@¨Ç¹q®e¡A»P¨ä©PÃ䪺HS/LS Driver(ÅX°Ê¾¹)¡A¨Ì·ÓPWM±±¨î¾¹¥i±±¬Û¼Æ¦h¹è¡A¥H¤Î¹q¸ô»Ý¨D¡A·|¦³2~8²Õ¬Û¦Pªº¹q¸ô(¦³¨Ç¬Æ¦Ü¦h¨ì16²Õ)¡A´N¬O«UºÙªº´X¬Û¹q·½¡C¦Ó³o¨Ç¤¸¥ó¡A³£·|¨Ì¹q¸ô»Ý­n¡A¶i¦æ¨ÃÁp¨Ó¼W¤j¨ä¿é¥X¯à¤O¡A´N¹³¬O§â¤@Áû¤ÞÀº¸g¹L"ÂX¬û"¨Ó¥[¤j¿é¥X°Ê¤O¬O¤@¼Ëªº¹D²z¡A¤W­z¹q¸ô©Ò»Ýªº¼Æ­È¡A³£¶·¸g¹L¤½¦¡­pºâ¡A¤è¯à¨D¥X¨ä³Ì§C­n¨D­È¡C
4.¦U¬Ûªº¿é¥X¡A³£·|¥ý±µ¦Ü³B²z¾¹´¡¼Ñ©³¤UªºVcore layer¡AµM«á³q¤J¨ä¹ïÀ³ªºVcore±µ¸}¡AºÉ¶q¨D¦b³Ìµu¸ô®|¤º¶Ç¿é¡CÀH³B²z¾¹¸}¦ìªº¤£¦P¡A¥Î¨Ó¿é°eVcoreªº±µ¸}¼Æ¥Ø¤]·|¤£¦P¡C
5.·Ó²z»¡¨C¤@¬ÛÀ³¥­§¡¤À¾áÁ`¿é¥X¹q¬y¡A¤£¹L³æ¦ì®É¶¡¤º¡A¶È·|¦³¤@¬Û³B©ó¿é¥X¼Ò¦¡¡A¤´·|¦b­t¸ü¶qÅܰʮɡA¥i¯à³y¦¨³æ¤@¬Û­t¸ü¼W¥[¡A©Ò¥H³]­p»Ý­n¦Ò¼{¦w¥þ¹q¬y¼Æ­È¡A¦]¬°¨C¤@¬Û¿é¥X¬O¨ÃÁpªº¡A©Ò¥H¹qÀ£§¡¬Û¦P¡AÀHµÛ³B²z¾¹´£¨ÑªºVID¸ê°T¥H¤Î¹q¸ôOffset­È¶i¦æ½Õ¸`¡C
6.¦]¬°¹q·P§@¬°Àx¯à/ÄÀ©ñ¤¸¥ó¡A¥[¤W¬y¹L¹q¬y¤j¡A¹q»PºÏ¶¡Âà´«²£¥Íªº·l¥¢«K¦¨¬°¼o¼ö¡C
7.¨C¤@¬Û¿é¥X¡A¸g¹L¹q®e¥­·Æ«á¡A·Ó²z»¡À³¬°ª½¬y¡A¤£¹LÀH¿é¥X¶q¼W¥[¡A¨äº§ªi(ripple)»PÂø°T(noise)·|³vº¥¼W¥[¡A¨äº§ªiÀW²v¬ù²¤¬°Fpwm x phase¡C
 
ÂÂ 2008-06-30, 01:50 AM #12
¦^À³®É¤Þ¥Î¦¹¤å³¹
LSI¯TÂ÷½u¤¤  
sutl
Elite Member
 
sutlªº¤jÀY·Ó
 

¥[¤J¤é´Á: Jan 2002
±zªº¦í§}: °{«G«Gªº¥Ã©M*~
¤å³¹: 6,096
¤Þ¥Î:
§@ªÌLSI¯T
¦Ó³o¨Ç¤¸¥ó¡A³£·|¨Ì¹q¸ô»Ý­n¡A¶i¦æ¨ÃÁp¨Ó¼W¤j¨ä¿é¥X¯à¤O¡A´N¹³¬O§â¤@Áû¤ÞÀº¸g¹L"ÂX¬û"¨Ó¥[¤j¿é¥X°Ê¤O¬O¤@¼Ëªº¹D²z

À³¸Ó¥Î¦h¬û¤ÞÀº¨Ó§Î®e¤ñ¸û¥¿½T...
__________________
¼Ú¬w½ü­Lºu°Êªý¤O&·Ã¦a·Ù¨®&¾¸­µ¬d¸ß ¤é¥»½ü­Lºu°Êªý¤O»P·Ã¦a·Ù¨®¬d¸ß(¼Ú¬wªý¤OA¡×¤é¥»ªý¤OAAA)(¼Ú¬w¸õ¹LD)
³h®z®a®x¨àµ£·R¤ß¦­À\­pµe ¤â¾÷½Ð¤Å¨Ï¥Î¥x­ô¤j700MHz 4G LTEÀW¹D¡A¥H§K¤zÂZµL½u³Á§J­·¹B§@¡C¡@
±ÀÂ˺ô¯¸¡@§Ú¤£²n°·«O§½¡@¤Ú¤h¤j¨û¤§³¡<-µØ¯è­¸¦w¤£¨}ªº­ì¦]¡@°ê®aªº»·¨£
¯¸¤º¯S§O±ÀÂ˳sµ²¡@yahoo½æ¤ù³Q§ì¡@¥Ñ©óµÛ§@Åvªk²Ä¤K¤Q¤C±ø²Ä¥|´Úªº½t¬G¡@½æ®ü¥~¥¿ª©¬O¹Hªkªº³á(§R°£¬ö©À) ¤S¦³¤H¨ü®`¤F
¦n®Ñ±ÀÂË¡G§Ö¼Ö¬°¤°»ò¤£©¯ºÖ¡H¡@¥»®Ñ¤£°Q½×§Ö¼Ö§ó¤£°Q½×©¯ºÖ¡AÁ¿ªº¬O¤j¸£¦p¦ó²z¸Ñ¥@¬É¡C
¦n®Ñ±ÀÂË¡G¤j¸£¨Mµ¦¤â¥U ¸Ó¥Î¸£³Uªº­þ­Ó³¡¤À°µ¨Mµ¦¡H¡@¤F¸Ñ¦Û¤v»P§O¤H«ç»ò¨Ï¥Î¸£³U¥Ê(¦]³Qµo²{¬O§Ûŧªº©Ò¥H¤U¬[¤F³á)
¦n®Ñ±ÀÂË¡G³c½æ¶Å°Èªº»È¦æ¡@¤F¸Ñ»È¦æ¦p¦ó¨Ï¤@¯ë¤H«Ø¥ß¿ù»~ªº­É¶UÆ[©À¡AÅý¦Ñ¦Ê©m¦¨¬°ª÷¿Ä¦ú¹A¡A¤@½ú¤l´À»È¦æ¤u§@
¦n®Ñ±ÀÂË¡G¥ø·~ªº©Ê®æ»P©R¹B¡@¥ø·~ªº¥»½è¬OµL¹D¼wªº¡A¥ø·~§V¤Oªº§â¦Û¨­¦¨¥»Âà¶ù¦¨ªÀ·|¦¨¥»¡A¥H¤j´T´£°ªÀò§Q¡C¡@DVD
¦n®Ñ±ÀÂË¡G¨S¦³¤¤°ê¼Ò¦¡³o¦^¨Æ¡I¡@ÁöµM®Ñ¦W¦³¤¤°ê¡A¦ý¨ä¹ê¬OÁ¿ªñ¥N¥þ²y¸gÀÙ¥v¡AÅý§A±q¸gÀپǪº¨¤«×²z¸Ñ¾ú¥v¡C
¦n®Ñ±ÀÂË¡G·m±Ï35·³¡@¤Q¤­±iÃҷӧ䤣¨ì¦n¤u§@¡B¥|¤Q·³µ²±B¦¨®a¬O±`ºA¡BÂùÁ~®a®x¤]¥u´±¥Í¤@­L¡B©Ð¶U­n­I¨ì¤C¤Q·³¡K
ÂÂ 2008-06-30, 03:17 AM #13
¦^À³®É¤Þ¥Î¦¹¤å³¹
sutlÂ÷½u¤¤  
christy014022
Advance Member
 

¥[¤J¤é´Á: Apr 2007
¤å³¹: 453
Cool

Hi LSI
ÁÂÁ§Aªº»¡©ú,«Ü´Î!¯àÀ°¦£µ¹§Ú¤@±i(£¸­Ó¬Û´N¦n)2H2Lªº½u¸ô²¹Ï¶Ü?
FAX: 02-24656244
MAIL:
Åý§Ú"»D­»"£¸¤U....³£§Ö60·³¤F!!
ÂÂ 2008-06-30, 11:52 AM #14
¦^À³®É¤Þ¥Î¦¹¤å³¹
christy014022Â÷½u¤¤  
visionary_pcdvd
*°±Åv¤¤*
 

¥[¤J¤é´Á: Jan 2008
¤å³¹: 1,281
¤Þ¥Î:
§@ªÌLSI¯T
5.·Ó²z»¡¨C¤@¬ÛÀ³¥­§¡¤À¾áÁ`¿é¥X¹q¬y¡A¤£¹L³æ¦ì®É¶¡¤º¡A¶È·|¦³¤@¬Û³B©ó¿é¥X¼Ò¦¡¡A¤´·|¦b­t¸ü¶qÅܰʮɡA¥i¯à³y¦¨³æ¤@¬Û­t¸ü¼W¥[...

­ì¨Ó¦p¦¹¡A§ÚÁÙ¬O²q¿ù¤F PWM ªº¤u§@­ì²z¡A­ì¥»¥H¬°¬Û¼Æ¶V¦h¡A¨C¬Û©Ò»Ý­t¾áªº¹q¬y´N¶V¤p¡C

¦æ®a¥X¤âªGµM¤£¦P¤ZÅT
ÂÂ 2008-06-30, 11:54 AM #15
¦^À³®É¤Þ¥Î¦¹¤å³¹
visionary_pcdvdÂ÷½u¤¤  
LSI¯T
Elite Member
 
LSI¯Tªº¤jÀY·Ó
 

¥[¤J¤é´Á: Apr 2004
±zªº¦í§}: ´ä³£
¤å³¹: 6,019
¤Þ¥Î:
§@ªÌsutl
À³¸Ó¥Î¦h¬û¤ÞÀº¨Ó§Î®e¤ñ¸û¥¿½T...


³o¸Ì¬O«ü¨C¬Û³z¹LHS/LS¨ÃÁpµ¥¤èªk¼W¤j¹q¬y©Ó¸ü¤O¡A©Ò¥H»¡¬O"ÂX¬û"(¼W¤j¨C¬û¿é¥X°Ê¤O)¡C
ÂÂ 2008-07-01, 01:38 AM #16
¦^À³®É¤Þ¥Î¦¹¤å³¹
LSI¯TÂ÷½u¤¤  
LSI¯T
Elite Member
 
LSI¯Tªº¤jÀY·Ó
 

¥[¤J¤é´Á: Apr 2004
±zªº¦í§}: ´ä³£
¤å³¹: 6,019
¤Þ¥Î:
§@ªÌvisionary_pcdvd
­ì¨Ó¦p¦¹¡A§ÚÁÙ¬O²q¿ù¤F PWM ªº¤u§@­ì²z¡A­ì¥»¥H¬°¬Û¼Æ¶V¦h¡A¨C¬Û©Ò»Ý­t¾áªº¹q¬y´N¶V¤p¡C

¦æ®a¥X¤âªGµM¤£¦P¤ZÅT


¹B§@ªº³æ¦ì®É¶¡¤º¡A¬Û¼Æ¶V¦h¡A¦U¬Û©Ò»Ý©Ó¨üªº®É¶¡¤]¶Vµu¡A¦³§U©ó´î»´¨ä­t¸ü¶q¡A¨C¤@¬Û¤¸¥ó®e¶q¤]¤£¥Î¨º»òÃe¤j(MOSFETªº¯S©Ê¬O©óµu®É¶¡¤º®e³\©Ó¨ü¶W¸ü)¡C
ÂÂ 2008-07-01, 01:43 AM #17
¦^À³®É¤Þ¥Î¦¹¤å³¹
LSI¯TÂ÷½u¤¤  
LSI¯T
Elite Member
 
LSI¯Tªº¤jÀY·Ó
 

¥[¤J¤é´Á: Apr 2004
±zªº¦í§}: ´ä³£
¤å³¹: 6,019
¤Þ¥Î:
§@ªÌchristy014022
Hi LSI
ÁÂÁ§Aªº»¡©ú,«Ü´Î!¯àÀ°¦£µ¹§Ú¤@±i(£¸­Ó¬Û´N¦n)2H2Lªº½u¸ô²¹Ï¶Ü?
FAX: 02-24656244
MAIL:
Åý§Ú"»D­»"£¸¤U....³£§Ö60·³¤F!!



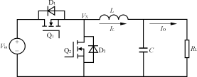
±N¹q¸ô¤¤Q1¤ÎQ2±Ä¥ÎÂùÁû¨ÃÁp´N¦¨¤F2HS+2LSªº³æ¬Û¦P¨B­°À£¥æ´«¦¡¹q¸ô¡C
ÂÂ 2008-07-01, 01:56 AM #18
¦^À³®É¤Þ¥Î¦¹¤å³¹
LSI¯TÂ÷½u¤¤  
christy014022
Advance Member
 

¥[¤J¤é´Á: Apr 2007
¤å³¹: 453
Cool

¤Þ¥Î:
§@ªÌLSI¯T
http://pic.xfastest.com/lsi/solo1.gif
±N¹q¸ô¤¤Q1¤ÎQ2±Ä¥ÎÂùÁû¨ÃÁp´N¦¨¤F2HS+2LSªº³æ¬Û¦P¨B­°À£¥æ´«¦¡¹q¸ô¡C


Á¤F,¹º±o«Ü¦n,½Ð°Ý¥H8¬Û¬°¨Ò¥¦­Ìªº¶g´Á....¨C¬Û¨C¦¸¨Ñ¹q¦h¤Ö·L¬í?§Ú¦³£¸¦P¯Z¦P¾Ç/«Ç¤Í...¥L¥Ø«e¨ÑÀ³«Ü¦h¤º¾Pdiy¥«³õ¤W¤jpowerªºpower supply...§ï¤Ñ§Ú·|§ä¥L²`¤J¤F¸Ñ2H2Lªº­pºâ¤è¦¡....
ÂÂ 2008-07-01, 01:36 PM #19
¦^À³®É¤Þ¥Î¦¹¤å³¹
christy014022Â÷½u¤¤  
LSI¯T
Elite Member
 
LSI¯Tªº¤jÀY·Ó
 

¥[¤J¤é´Á: Apr 2004
±zªº¦í§}: ´ä³£
¤å³¹: 6,019
¤Þ¥Î:
§@ªÌchristy014022
Á¤F,¹º±o«Ü¦n,½Ð°Ý¥H8¬Û¬°¨Ò¥¦­Ìªº¶g´Á....¨C¬Û¨C¦¸¨Ñ¹q¦h¤Ö·L¬í?§Ú¦³£¸¦P¯Z¦P¾Ç/«Ç¤Í...¥L¥Ø«e¨ÑÀ³«Ü¦h¤º¾Pdiy¥«³õ¤W¤jpowerªºpower supply...§ï¤Ñ§Ú·|§ä¥L²`¤J¤F¸Ñ2H2Lªº­pºâ¤è¦¡....

³o»PFpwm¥H¤Î¨äduty cycle¦³Ãö¡A¸Ô²Ó»Ý­nµø¹q¸ô°Ñ¼Æ¨Ó¶i¦æ­pºâ¡C
ÂÂ 2008-07-02, 02:01 AM #20
¦^À³®É¤Þ¥Î¦¹¤å³¹
LSI¯TÂ÷½u¤¤  


    ¦^À³


POPIN
¥DÃD¤u¨ã

µoªí¤å³¹³W«h
±z¤£¥i¥Hµo°_·s¥DÃD
±z¤£¥i¥H¦^À³¥DÃD
±z¤£¥i¥H¤W¶Çªþ¥[ÀÉ®×
±z¤£¥i¥H½s¿è±zªº¤å³¹

vB ¥N½X¥´¶}
[IMG]¥N½X¥´¶}
HTML¥N½XÃö³¬



©Ò¦³ªº®É¶¡§¡¬°GMT +8¡C ²{¦bªº®É¶¡¬O10:57 PM.


vBulletin Version 3.0.1
powered_by_vbulletin 2026¡C