PCDVD數位科技討論區
PCDVD數位科技討論區   註冊 常見問題 標記討論區為已讀

回到   PCDVD數位科技討論區 > 電腦硬體討論群組 > 儲存媒體討論區
帳戶
密碼
 

回應
 
主題工具
=TOP=
Registered User
 
=TOP=的大頭照
 

加入日期: Nov 2006
您的住址: 彰化縣
文章: 85
Smile [TOP] WD640GB單碟320G (RAID0測試)

主機配備:

CPU: INTEL-E2160(製程G0) 上3.6G (電壓:1.28750v)
MB : ASUS-P5Q-E (BIOS:1306)
HDD: WD640GB-單碟320GB (使用MB內建晶片組RAID0*3)
RAM: 創見AXE-DDR2-800+ (1GB*2) 美光D9GMH
POWER: 保銳 525W魔族系列 (模組化)
散熱器: Thermalright Ultra-120A (ADDA溫控12CM風扇)
機殼: Cooler Master 690
OS: WIN XP SP3





3顆都是捷元代理外盒



3顆WD640GB-單碟320GB



軔體:00A7B0(泰國製造)


仔細再看一下



00A7B0單顆測試(原廠預設已開啟aam)



軔體:75A7B0(馬來西亞製造)



仔細再看一下




75A7B0單顆測試(自己開啟aam)



RAID0*2測試(Size設64KB)

小圖


大圖



RAID0*2開啟卷冊回寫快取測試

小圖


大圖



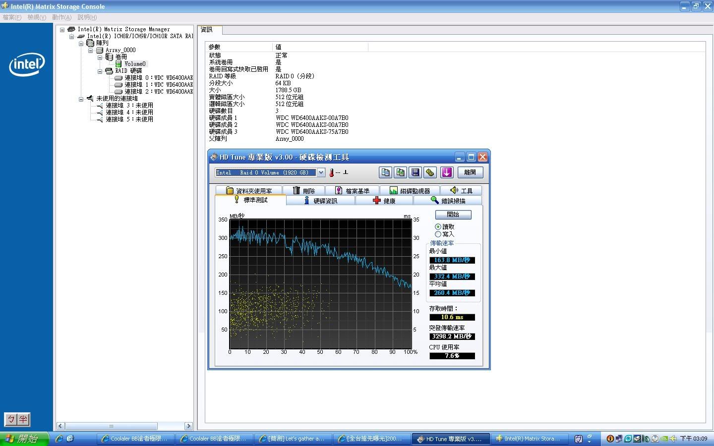
RAID0*3測試(Size設64KB)

小圖


大圖



RAID0*3開啟卷冊回寫快取測試

小圖


大圖



存取時間最快數據:10.3ms




請小心轉動螺絲,挖不出來才抓狂.改天用電鑽伺候一下






優缺點:

(1)軔體:00A7B0原廠已經開啟aam,軔體:75A7B0要自己手動開啟aam !!(不開啟aam存取時間會變慢)
(2)WD640GB裝在華碩P5Q-DELUXE或P5Q-E目前使用都正常,沒有什麼不相容問題發生!!
(3)使用MB內建ICH10R組RAID0是個很棒的選擇,4顆以上組RAID不建議使用內建晶片,請自行外加RAID卡.否則應該會卡在瓶頸!!
(4)目前是購入WD640GB硬碟的好時機,1G大約3.7元,買來當系統碟或資料碟都是好選擇!!
(5)至於噪音方面.我是覺得非常安靜.也沒有一些雜音!!
(6)硬碟的溫度尚可.有用小護士測溫計量過.室溫:30度(硬碟溫度:大約40度以內)!!



謝謝各位觀賞...
     
      

此文章於 2008-08-30 03:23 PM 被 =TOP= 編輯.
舊 2008-08-30, 03:21 PM #1
回應時引用此文章
=TOP=離線中  
McCrackenHarry
Regular Member
 

加入日期: Mar 2001
您的住址: taiwan
文章: 93
crystaldiskmark的兩顆raid0數據好像有問題,單顆最大119MB/s,可是兩顆raid卻到達280MB/s,有點灌水的感覺。
 
舊 2008-08-30, 08:10 PM #2
回應時引用此文章
McCrackenHarry離線中  
firmware
Master Member
 
firmware的大頭照
 

加入日期: Mar 2006
您的住址: On Chip
文章: 2,202
Hitachi 7K1000.B 一直不出來,WD 6400AAKS持續穩坐C/P天王
舊 2008-08-30, 09:57 PM #3
回應時引用此文章
firmware離線中  
airitter
Master Member
 
airitter的大頭照
 

加入日期: Sep 2003
文章: 2,102
引用:
作者McCrackenHarry
crystaldiskmark的兩顆raid0數據好像有問題,單顆最大119MB/s,可是兩顆raid卻到達280MB/s,有點灌水的感覺。

你看到的是3顆 RAID0
__________________
[ExtremeTech]VGAMaster
舊 2008-08-30, 10:10 PM #4
回應時引用此文章
airitter離線中  
=TOP=
Registered User
 
=TOP=的大頭照
 

加入日期: Nov 2006
您的住址: 彰化縣
文章: 85
後面幾張圖片有RAID0*2顆跟RAID0*3顆測試喔...

PS:RAID0*3顆那張原圖不見了,所以再測一張補大圖片喔...

原本是這張才對...



現在變這張(跟1樓一樣)

此文章於 2008-08-30 10:32 PM 被 =TOP= 編輯.
舊 2008-08-30, 10:23 PM #5
回應時引用此文章
=TOP=離線中  


回應


POPIN
主題工具

發表文章規則
不可以發起新主題
不可以回應主題
不可以上傳附加檔案
不可以編輯您的文章

vB 代碼打開
[IMG]代碼打開
HTML代碼關閉



所有的時間均為GMT +8。 現在的時間是04:14 AM.


vBulletin Version 3.0.1
powered_by_vbulletin 2026。