PCDVD數位科技討論區
PCDVD數位科技討論區   註冊 常見問題 標記討論區為已讀

回到   PCDVD數位科技討論區 > 數位影音討論群組 > 顯示設備討論區
帳戶
密碼
 

回應
 
主題工具
kaosc
Senior Member
 

加入日期: Mar 2001
您的住址: 光之幻境
文章: 1,303
Question 螢幕背後的懸吊架孔

請問各位大大,
液晶螢幕背後用來預留安裝懸臂架的螺絲孔
是否為統一規格(指位置、螺絲尺寸均相同)?
     
      
__________________
節儉持家散假狼的歷代CPU小兵---
Pentium 2-300oc450 (Deschutes) --> Pentium 4-540J (Prescott) -->
i7-920 (Bloomfield) --> Xeon x5675 (Westmere-EP) --> i7-14700k (Raptor Lake)
時隔多年的大更新
舊 2005-07-14, 01:25 PM #1
回應時引用此文章
kaosc離線中  
cooling_pack
Regular Member
 

加入日期: Sep 2003
您的住址: 台中
文章: 50
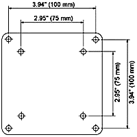
你可以看看螢幕規格是否有VESA 100/75標示,
若有即是符合VESA 100/75統一規格


BTW,The diameter of the screws are 4mm.
 
__________________
舊 2005-07-14, 01:58 PM #2
回應時引用此文章
cooling_pack離線中  


回應


POPIN
主題工具

發表文章規則
不可以發起新主題
不可以回應主題
不可以上傳附加檔案
不可以編輯您的文章

vB 代碼打開
[IMG]代碼打開
HTML代碼關閉



所有的時間均為GMT +8。 現在的時間是03:14 PM.


vBulletin Version 3.0.1
powered_by_vbulletin 2025。